综合监测单元模块SD-ZHCL
产品概述
我司开发的SD-ZHCL模块充分考虑到了电力系统应用的多样性,其数据采集单元采用了模块化设计思想,CPU处理单元采用高速运算芯片STM32系列,保证检测电池电压的快速性,而双协议使主机与底层模块可以自由组合。
产品特点
主要特点
SD-ZHCL模块负责采集交流电压、电池电压、控母电压、合母电压、控母电流、电池电流、温度及开关量输入和开关量输出,并通过RS485接口将数据上传到监控主机。SD-ZHCL主要功能如下。
Ø 检测2路交流电压,可控制交流互投。
Ø 检测2路控母电压、2路电池电压、2路合母电压。
Ø 检测2路控母电流、2路电池电流。
Ø 检测2路电池温度。
Ø 8路开关量输出控制。
32路开关量输入状态检测。

主要特性

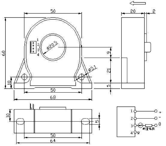
图1-1 SD-ZHCL装配图
注:尺寸:202*116*62.5mm 重量:1Kg
2.1、丝印图说明

表2-1 SD-ZHCL接线表
SD-ZHCL采用闭环型霍尔电流传感器进行电流采样,闭环型霍尔电流传感器具有良好的线性度及精度,低漂移,响应时间快、频带宽,原、副边之间高度绝缘。穿孔结构,无插入损耗,外壳符合UL94-V0标准。图2-1为常用的100A量程电流传感器HEC100-D6安装图。表2-2 为HEC100-D6技术参数。注:当需要使用输出电流为20mA的传感器时需要拆开机壳,将位号为B1H的拨码开关的四个拨码全部拨到左侧。

表2-2 HEC100-D6技术参数

图2-1 HEC100-D6安装图
ZHCL-3 2.0采用三芯塑铜屏蔽护套软线连接到电流传感器,连接到电流传感器的3根线分别是:

+12V、-12V、测量输出。图2-2为电流传感器接线示意图。
图2-2电流传感器接线示意图
温度传感器为已做好的成品,使用时将温度传感器端子插到“温度”采样端口。图2-3为温度传感器示意图。

图2-3温度传感器
2.4开关量输入检测
SD-ZHCL开关量输入检测使用光耦隔离检测技术。开关量输入节点要为无源节点。ZHCL-3 2.0标示有“开关量输入”的接线端子为开关量输入,标示有“COM”的接线端子为开关量输入的公共端。图2-4为开关量输入接线示意图。

图2-4为开关量输入接线示意图。
图2-4开关量输入接线示意图
2.5开关量输出
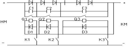
SD-ZHCL提供8个开关量输出,继电器结点容量AC250V/0.1A,DC30V/1A,建议节点容量不超过220VDC/50mA。8个开关量输出的分别标示为K1~K8。开关量输出定义由监控主机决定。其中K1、K2、K3可用于硅链控制。图2-5为控制7级硅链示意图,图2-6为控制5级硅链示意图。

图2-6控制5级硅链示意图
2.6交流互投接线
SD-ZHCL交流电压测量采用三相三线制的接线方式,交流电压不用经过其他转换,直接接入交流电压测量端口。在SD-ZHCL上印着 “交流1路” “交流2路” 标识的端口是交流电压测量接入端口。在综合测量模块SD-ZHCL上印着“K9” “K10”标识的端口是交流互投接线端口。图2-7 交流互投原理示意图。

图2-7 交流互投原理示意图
交流上电时,K9、JK2是常闭节点,Q1线圈加上交流电,Q1吸合,交流1路投入工作,Q1吸合的同时,JK1断开,实现交流互锁。当交流1路出现异常时,K9断开,Q1线圈断电,Q1断开,交流1路切除,同时JK1吸合;经过4~6秒钟后,此时,如果交流2路正常,K10吸合,Q2线圈加上交流电,Q2吸合,交流2路投入工作,Q2吸合的同时,JK2断开。
一、使用环境

表3-1 使用环境
1、采集交流电压、直流电压,这些采集量信号强,容易产生干扰,走线要分别走线,不能与其他数据线混在一起。
2、尽管在设计时采取了防信号误接措施,但是在接通之前,还是有必要仔细确认接线,以防止危险。
3、系统中有其他绝缘测试设备或者进行设备耐压测试时,要将“控母电压”采样端子的
与大地的连接断开。
4、在通电之前,仔细检查电流传感器接线,发现电流传感器温度高,应立即断开电源,检查接线。注意电流传感器原边电流方向。
5、电流传感器供电电源不能用做其他设备的供电电源。
6、温度传感器已经做好线,如果需要重新接线,一定要注意正确接线。温度传感器接口信号线之间不能短路,不能与其他设备的温度信号连接。
7、有电池巡检模块时,温度传感器用在电池巡检模块上。
8、485A与监控主机485A连接,485B与监控主机485B连接。
9、为防止交流电压测量值在交流告警点附近出现频繁告警,在判断时增加了5V的判断阈值。例如:设置交流过压告警值为420V,交流电压超过420V,监控报出交流异常告警,只有交流电压下降到415V以下时,交流异常告警才解除。
请扫码云参观
工厂实景